Industrial Control
High Voltage Inverters & SVG
-
Industry Requirements
-
行业应用方案
-
Product Selection Recommendation
Industry Requirements
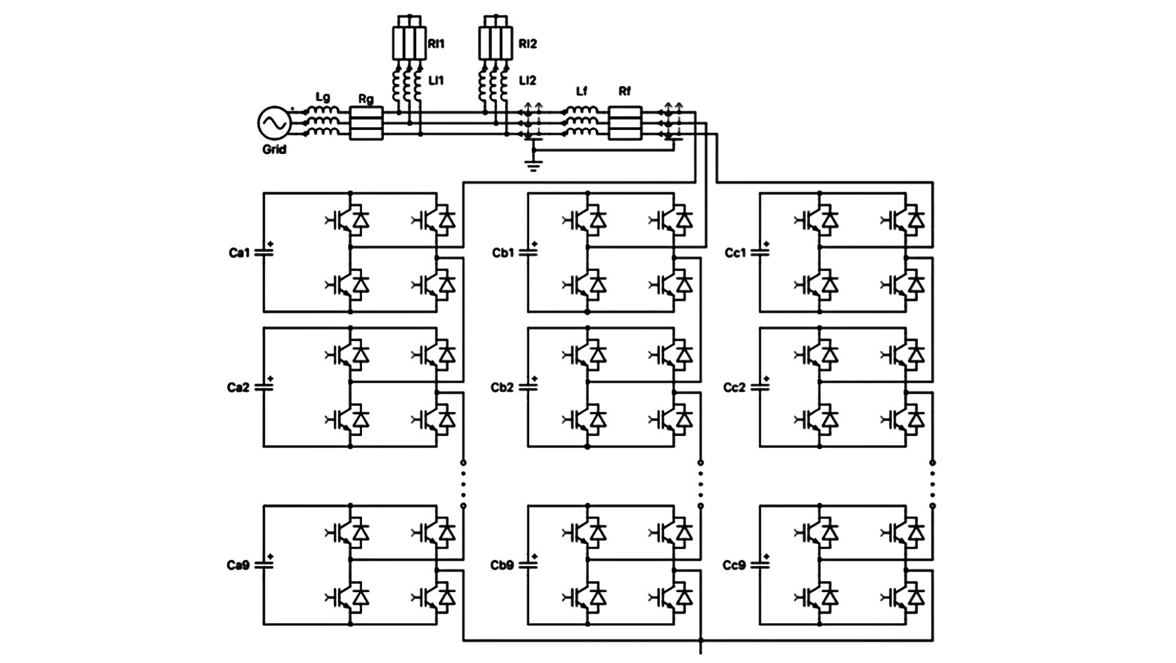
The cascaded H-bridge topology structure is simple and flexible, and has been widely applied in high-voltage cascaded inverters and Static Var Generators (SVG).
In industrial applications, motors, as the driving devices for fans, pumps, compressors, conveyors, crushers, and other machinery, consume significant amounts of power. By combining cascaded inverters with production processes, motor energy consumption can be significantly reduced.
SVGs are primarily used to enhance transmission capacity and stabilize transient voltages in power grids. They can also provide reactive power regulation for transmission and distribution grids, wind power, and photovoltaic (PV) power plants. Additionally, they are used for power factor control, bus voltage flicker suppression, load imbalance compensation, and filtering harmonic currents in industries such as mining, petrochemicals, and coal, achieving improved power quality and energy savings.
MACMIC offers half-bridge modules in current ratings from 75A to 450A and integrated H-bridge modules ranging from 75A to 150A. By connecting one or more half-bridge modules in parallel for each phase, these can effectively cover medium and small power ranges for 3kV-10kV high-voltage inverters, a part of the large power range, as well as medium capacity ranges for 3kV-35kV cascaded energy storage systems and 3kV-35kV SVGs. For smaller power segment high-voltage inverters, using integrated H-bridge modules can reduce the number of modules required, significantly reduce system size, and lower structural costs.
行业应用方案
拓扑结构

Product Selection Recommendation
| Type | Voltage(V) | Current(A) | Packages | Topology |
| MMG75S170B6TC | 1700 | 75 | GS | B |
| MMG100S170B6TC | 1700 | 100 | GS | B |
| MMG150D170B6TC | 1700 | 150 | GD | B |
| MMG200D170B6TC | 1200 | 400 | GD | B |
| MMG300D170B6TC | 1700 | 300 | GD | B |
| MMG75W170HX6TC | 1700 | 75 | GW | HX |