Industrial Control
Welding & Induction Heating
-
Industry Requirements
-
Application Solutions
-
Product Selection Recommendation
Industry Requirements
The demand for IGBT modules in the induction heating industry is experiencing rapid growth. As a core component in power conversion, IGBT modules efficiently and precisely convert electrical energy into thermal energy, meeting the stringent requirements for rapid and uniform heating of metal workpieces. With the rapid advancement of technology, the requirements for IGBT modules in the induction heating industry continue to increase. High efficiency, high reliability, and customized solutions have become the new benchmarks for industry development. This growing demand is undoubtedly injecting strong momentum into the IGBT module market, driving the continuous expansion of its market size.
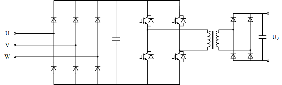
Application Solutions
Topology Structure

Product Selection Recommendation
| Type | Voltage(V) | Current(A) | Packages | Topology |
| MMG40S120B6UC | 1200 | 40 | GS | B |
| MMG50S120B6UC | 1200 | 50 | GS | B |
| MMG75S120B6UC | 1200 | 75 | GS | B |
| MMG100S120B6UC | 1200 | 100 | GS | B |
| MMG150S120B6UC | 1200 | 150 | GS | B |
| MMG100D120B6UC | 1200 | 100 | GD | B |
| MMG150D120B6UC | 1200 | 150 | GD | B |
| MMG200D120B6UC | 1200 | 200 | GD | B |
| MMG300D120B6UC | 1200 | 300 | GD | B |
| MMG400D120B6UC | 1200 | 400 | GD | B |
| MMF200N120DK | 1200 | 200 | FN | DK |
| MMF200N070DK | 700 | 200 | FN | DK |
| MMF150S060DK | 600 | 150 | FS | DK |
| MMF200S060DK | 600 | 200 | FS | DK |
| MMF200S120DK | 1200 | 200 | FS | DK |
| MMF300S060DK | 600 | 300 | FS | DK |
| MMF150S120DK | 1200 | 150 | FS | DK |